Weight saving for plastic packaging
- Publicado el 13 de Abril de 2023
In the packaging industry, plastics are an irreplaceable material for protecting goods and foodstuffs and thus an important component in the value chain. The carbon footprint of this packaging is often significantly lower than that of other materials, and the recycling of used packaging is a given. Nevertheless, there is a great desire to further reduce raw material consumption and thus the CO2 footprint. So how can an easy-to-open, stable, flexible and above all recyclable packaging be produced while protecting the environment and conserving resources?

The solution is as economical as it is light! Reduce your packaging weight by up to 30% and still get a stable and protective wrapping for your product. This is enabled by the Promix microcellular technology, which creates a foam structure in the polymer using environmentally friendly gases such as CO2 and N2. The technology from Promix Solutions AG makes this possible in a process-safe manner and the investment pays off within a few months. With a usual extrusion packaging line with a throughput of 500 kilograms of plastic per hour, they save up to 3.6 tons of plastic per day and thus 3,600 €/day or almost 80,000 €/month. Per year, this results in a reduced plastic consumption of 1,000 tons per production line.
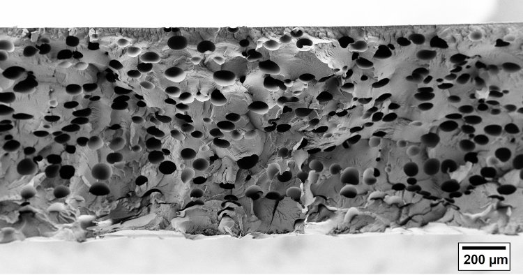
The cell size as well as the size distribution in the foam is a decisive factor for the mechanical properties of the packaging. Finest (microcellular) foams with perfectly distributed cells give the best results. Thus, with a weight reduction of up to 20%, the same mechanical topload properties can be achieved as for an unfoamed cup or tray.
Since the blowing agents CO2 and N2 are environmentally neutral and no environmentally harmful additives need to be used, Promix Microcell technology is an eco-friendly solution for retail packaging, boxes, cups, trays and much more. Recycling of the packaging and sections from production, such as trim offs produced during thermoforming, is straightforward because the gases do not accumulate in the plastic like other additives. This technology can be used for almost all polymers and can also be retrofitted to existing extrusion lines.
Promix Solutions will be exhibiting at Interpack in Düsseldorf in May. Get first-hand information at the Swiss Pavilion, Hall 8A/D59. Promix Solutions AG is the leading supplier of unique key components and solutions in the area of mixing, foaming and cooling in plastics processing and polymer production. Promix serves the industry with effective solutions for the reduction of the environmental footprint, cost savings and quality improvements in extrusion and injection molding. A motivated team with long standing experience and extensive process and application know-how ensures excellent consultancy and service. The product portfolio includes Foam Extrusion Systems, CO2/N2 Gas Dosing Stations, nucleation additives, Key Components for the production of Light Foams, Mixing Nozzles, Melt Blenders, Melt Coolers and Inline-Viscosity Measurement Systems.
